Freitag: 8 - 14 Uhr
04103 - 903 870
info@business-trading.com
Sie zahlen einfach vorab und erhalten die Ware bequem und günstig bei Zahlungseingang nach Hause geliefert.
Bezahlung per PayPal - einfach, schnell und sicher.
Apple Pay ist die Zahlungsmethode des Unternehmens Apple. Diese Form der Online-Überweisung steht exklusiv nur auf Apple-Geräten zur Verfügung (z.B. Mac, iPhone, iPad).
Debit- und Kreditkartenzahlungen werden mit dem Online Zahlungsdienstleister Mollie durchgeführt. Mollie unterstützt alle weltweit führenden Kreditkartenmarken.
iDEAL ist eine Online-Bezahlmethode, die ausschließlich in den Niederlanden verfügbar ist.
Zahlen Sie mit direkt von Ihrem Bankkonto. Hinweis: Die Zahlart ist nicht in allen Ländern verfügbar; siehe "Versand & Zahlung".
Zahlen Sie nach Erhalt unseres schriftlichen Rechnungsdokumentes. Eine Lieferung auf Rechnung bieten wir nur Firmen (GmbH, GmbH & Co. KG, oHG, AG oder KG), Behörden, Schulen, Konzernen und Großkunden an.
Kameraablage für höhenverstellbaren TV Lift
Die elektrisch höhenverstellbaren TV Ständer und Boden-Wandhalter aus der Serie Vogels RISE eignen sich ideal für Präsentationen, Videokonferenzen, Schulunterricht u.v.m. Großformatige Displays mit bis zu 98 Zoll können einfach und sicher befestigt und per Schalter hoch- und heruntergefahren werden. Mithilfe der RISE A141 Halterung lässt sich das motorisierte Display-Liftsystem um eine Kamera erweitern und so zum All-in-One Konferenzsystem aufrüsten. Wird der TV Lift in der Höhe verstellt, bewegt sich die Kamera mit und bleibt hierdurch immer auf einer Linie mit dem Bildschirm. Der Kamerahalter kann ausschließlich in Kombination mit dem Vogels RISE A111 Montageset verwendet werden und wird über das Schienensystem des Adapters befestigt.
Technische Details Vogels RISE A141 Kamera Halterung
- Universelle Befestigungsmöglichkeit für Laptops an einem Vogel’s RISE Display Lift
- Nur in Verbindung mit dem Adapter RISE A111 verwendbar
- Einfache Montage per Schienensystem, wahlweise ober- oder unterhalb des Monitors
- Tragkraft: 4 kg
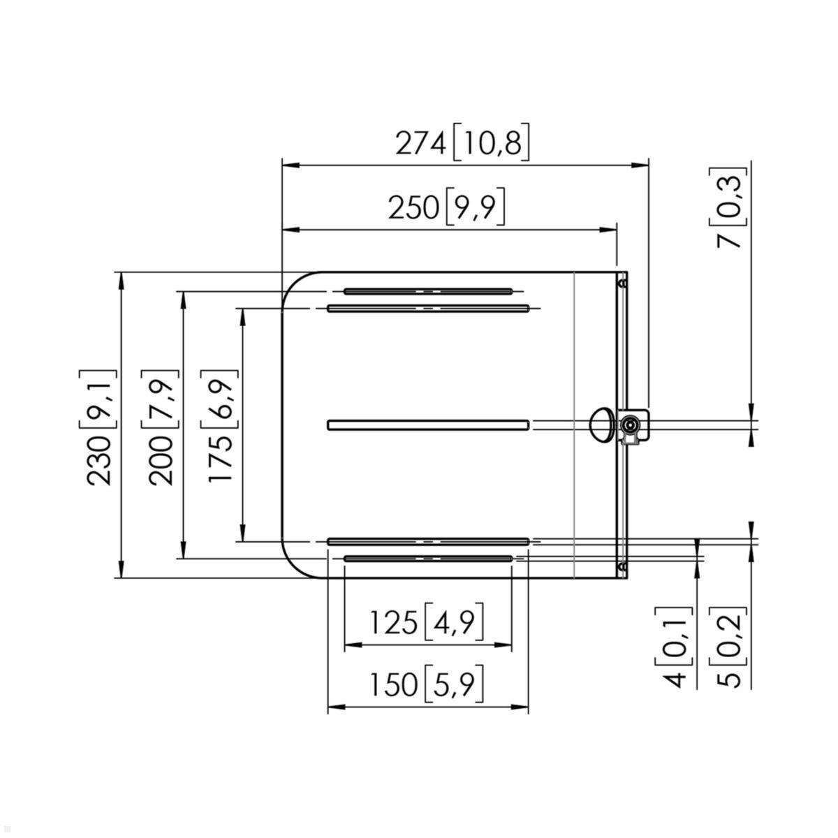
- Abmessungen (BxHxT): 230 x 92 x 274 mm
- Ablagefläche (BxT): 230 x 219 mm
- Farbe: Schwarz
- Garantie: 5 Jahre
| Produktdatenblatt: | |
|---|---|
| Technische Zeichnung: | |
| Montageanleitung: | |
| Tragkraft: | 4 kg |
| Geeignet für: | Vogels RISE TV Liftsystem / RISE A111 Montageset |
| Lieferumfang: | 1x RISE A141 Kamera Halterung | Installationsmaterial |
| Installationsmaterial enthalten: | + |
| Garantie: | 5 Jahre |
| Hersteller/Importeur: | Vogel's Products BV, Hondsruglaan 93, 5628 DB Eindhoven, Niederlande, E-Mail: info.de@vogels.com |
| Farbe: | Schwarz |
Falls bei einem Produkt Warn- und Sicherheitshinweise zu beachten sind, sind diese je nach Hersteller in der jeweiligen Montageanleitung oder in einer separaten pdf zu finden. Verfügbare Dokumente zu dem Produkt entnehmen Sie den vorhandenen PDF Dateien (s.o.).
Download-Bereich - Kataloge, Flyer, Garantiebedingungen, ...
0 von 0 Bewertungen
Durchschnittliche Bewertung von 0 von 5 Sternen
Kunden kauften auch
Durchschnittliche Bewertung von 5 von 5 Sternen
Durchschnittliche Bewertung von 5 von 5 Sternen
Durchschnittliche Bewertung von 5 von 5 Sternen
Durchschnittliche Bewertung von 5 von 5 Sternen
Durchschnittliche Bewertung von 5 von 5 Sternen
Zubehör
Durchschnittliche Bewertung von 0 von 5 Sternen